Автор Тема: Проект ЭО 25-ти этажного жилого дома  (Прочитано 6818 раз)

0 Користувачів і 1 Гість дивляться цю тему.

Offline sinedb

  • ***
  • Thank You
  • -Given: 25
  • -Receive: 8
  • Повідомлень: 77
  • Country: ua
    • Перегляд профілю
    • Awards
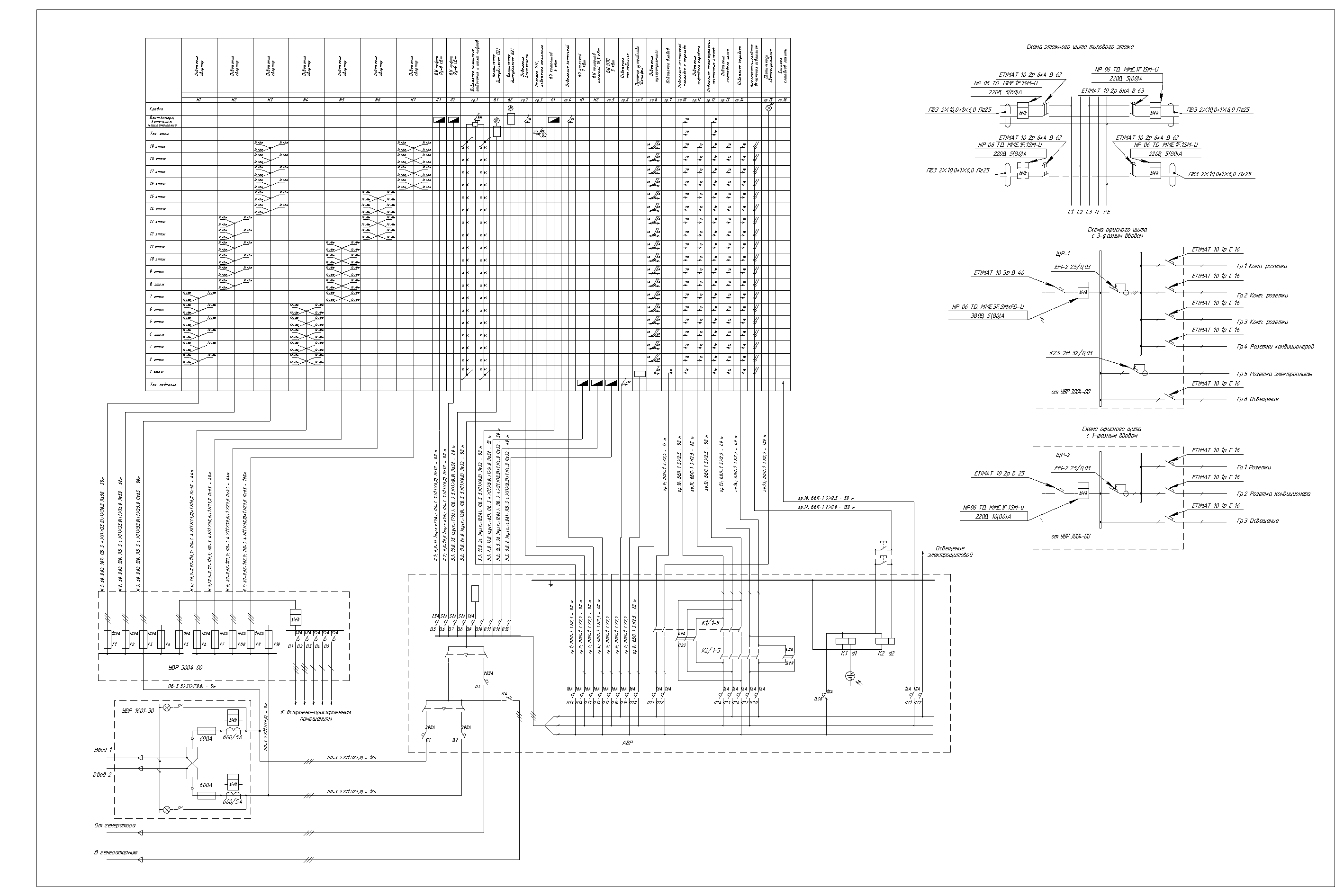
Конкретно эта схема - проект. На экспертизу и согласования не выходили.

Offline Udgin

  • ****
  • Thank You
  • -Given: 22
  • -Receive: 13
  • Повідомлень: 241
  • Country: ua
    • Перегляд профілю
    • Awards
sinedb, тогда советую обратить внимание на п. 4.16 23-го ДБН-а:
4.15 Живлення протипожежних установок і евакуаційного освітлення в житлових будинках, що мають незадимлювані сходові клітки, слід виконувати від самостійного щита або окремої панелі.
При цьому самостійний щит або окрема панель повинні приєднуватись до зовнішніх ліній живлення перед ввідними комутаційними апаратами ВРП, ГРЩ з улаштуванням АВР на самостійному щиті або панелі.
Панелі щита протипожежних установок повинні мати червоне пофарбування.
За наявності в будинках і спорудах ліфтів для транспортування пожежних підрозділів їх живлення слід виконувати від вказаного щита або панелі.

Да, кстати, пользуясь случаем. Когда пожарная бригада приезжает тушить пожар, она должна отключить электричество, т.е. все щиты, которые не покрашены в красный цвет. А кто может дать ссылку на норматив, в котором это правило прописано?
« Останнє редагування: 20 Липень 2015, 17:25:10 від Udgin »

Offline sinedb

  • ***
  • Thank You
  • -Given: 25
  • -Receive: 8
  • Повідомлень: 77
  • Country: ua
    • Перегляд профілю
    • Awards
 :D, обязательно! Спасибо.

Offline proekt.sx

  • *
  • Thank You
  • -Given: 0
  • -Receive: 0
  • Повідомлень: 2
    • Перегляд профілю
    • Awards
Есть ли у кого-то пример проекта 25 (21) этажного жилого дома для Украины? В основном интересует схема электроснабжения.

Есть нужные вам проекты. Возможно выделить часть проекта (несколько разделов) по запросу. Смотрите тут - www.proekt.sx 
Пишите на info@proekt.sx если не нашли нужный вам проект - оперативно найдем в базе.

Offline Бригадир

  • ******
  • Thank You
  • -Given: 158
  • -Receive: 174
  • Повідомлень: 2 396
  • Country: ua
  • Awards Хрустальная сова (100 благодарностей + 500 сообщений) За неизменность форуму I степени - на форуме более 3 лет
    • Перегляд профілю
    • Awards
19 этажей

Offline CC19

  • ******
  • Thank You
  • -Given: 106
  • -Receive: 326
  • Повідомлень: 1 958
  • Country: ua
  • Awards За неизменность форуму I степени - на форуме более 3 лет Хрустальная сова (100 благодарностей + 500 сообщений)
    • Перегляд профілю
    • Awards
Бригадир, а какая мощность по ТУ на этот дом, киловат 300?
Просто по логике облэнерго Ваша схема с предохранителями 600+600А позволит отбирать около 700кВт, что намного больше чем заплатили за ТУ. Как у Вас обстоят дела с таким маразмом облэнерго?

Offline sinedb

  • ***
  • Thank You
  • -Given: 25
  • -Receive: 8
  • Повідомлень: 77
  • Country: ua
    • Перегляд профілю
    • Awards
Все кроме "жулья" на АВР подпертое ДЭС, крууууто, я тоже хочу так  :-[

Offline Udgin

  • ****
  • Thank You
  • -Given: 22
  • -Receive: 13
  • Повідомлень: 241
  • Country: ua
    • Перегляд профілю
    • Awards
Бригадир, спасибо! Почти то, что мне надо.

Offline maik

  • ***
  • Thank You
  • -Given: 0
  • -Receive: 4
  • Повідомлень: 172
  • Country: ru
  • Awards За неизменность форуму II степени - на форуме 2-3 года
    • Перегляд профілю
    • Awards
Дифавтомат на 30мА   на вводе в офисных щитках -круто! :)

Offline maik

  • ***
  • Thank You
  • -Given: 0
  • -Receive: 4
  • Повідомлень: 172
  • Country: ru
  • Awards За неизменность форуму II степени - на форуме 2-3 года
    • Перегляд профілю
    • Awards
извините  не на вводе

 

Warning: this topic has not been posted in for at least 150 days.
Unless you're sure you want to reply, please consider starting a new topic.

Ім'я:     Email: