Автор Тема: Початок продаж потенціометрів на базі кнопок XB4-XB5  (Прочитано 2265 раз)

0 Користувачів і 1 Гість дивляться цю тему.

Offline 3oloS

  • Global Moderator
  • ******
  • Thank You
  • -Given: 328
  • -Receive: 1664
  • Повідомлень: 3 702
  • Country: ua
    • Перегляд профілю
    • Awards
Шановні колеги!

Раді Вам повідомити про початок продаж потенціометрів в лінійці пристроїв управління і сигналізації Harmony XB4/XB5.
Потенціометри виконані на базі кнопок діаметром 22мм з металевою основою Harmony XB4 і пластиковою основою Harmony XB5.
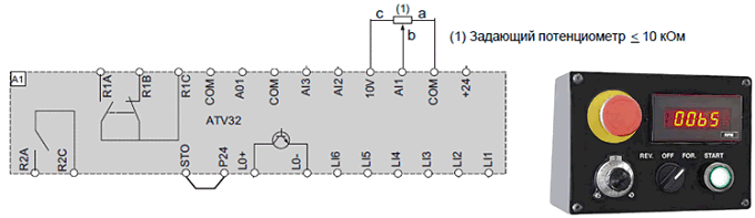
Приклад використання потенціометрів.
Для управління завданням швидкості перетворювачів частоти серій Altivar потрібно потенціометр з опором <= 10kOm, чому відповідають референс XB4BD912R4K7 або XB5AD912R4K7.
Детальна інформація (каталоги, презентації, інструкції) по посиланню нижче
https://schneider-electric.box.com/s/95kkd4jmihhhsgguiyv6rb8d9r17q0sn

 

Warning: this topic has not been posted in for at least 150 days.
Unless you're sure you want to reply, please consider starting a new topic.

Ім'я:     Email: